Funktionsgerechte Ausführung
Bei vielen Baumaßnahmen sind Eckausbildungen unvermeidlich. Dafür bieten wir, ergänzend zu unseren Winkelstützwänden, verschiedene funktionsgerechte Eckausführungen an.
Variable Innen- und Außenecken
Ob als Innen- oder Außenecke, standard oder variabel – Ecken gibt es in vielen verschiedenen Ausführungen. Bei vielen Baumaßnahmen sind Eckausbildungen unvermeidlich. Dafür bieten wir, ergänzend zu unseren Winkelstützwänden, verschiedene funktionsgerechte Eckausführungen an.
Außen- und Innenecken mit bis zu 500 cm Höhe werden serienmäßig für 90°- oder 135°-Winkel angeboten. Auf Kundenwunsch produzieren wir auch Eckelemente für Baukonstruktionen mit abweichenden Winkeln. In besonderen Fällen können sie sogar rund sein.
Als Standardlösungen fertigen wir für Sie 90° Innen- und Außenecken mit gerade stoßenden Kanten. Aber auch individuelle Lösungen wie 135° Innen- und Außenecken, sowie variable Winkel ganz nach Ihren Vorgaben, können problemlos produziert werden.
Nützliche Tipps und Infos:
Als Versetz- und Montagehilfen bei den einteiligen Außenecken sind auf der Fußseite Flachstahlanker M16 vorgesehen. Mit Hilfe, von z.B. Seilschlaufen M16, können diese versetzt und montiert werden.
Wenn ein Eckelement mit einer BL von 50 cm an einer Winkelstützwand mit einer Fußlänge von > 45 cm (BL 100 cm, FL > 95 cm) anschließt, so muss eins dieser Nachbarelemente mit verkürztem Fuß hergestellt werden (bei Bedarf bitte mit bestellen).
Ecken sind großflächig mit Beton (mind. C20/25) in einer Stärke d > = 20 cm zu überschütten. Bewehrung unten und oben mit mind. Q335A
Legende:
E = einteilige Ecke | EL = Standard-Ecke links | ER = Standard-Ecke rechts | VL = Variable- Ecke links | VR = Variable -Ecke rechts | S = Standard-Element
| * = wandstärkenabhängig
Außenecken
Außenecke, 1 teilig
BL = 50cm, beidseitig Sichtbeton
für Privant 10, Medikant 12
STANDARD Außenecke, 2 teilig
Standard - BL = 100cm
Sicht außen, Sicht innen
max. BL = 300 - Sicht beidseitig
Sonder BL > 100 cm - Sicht außen
für Privant 10, Medikant 12, Gigant 15,20,25, Gigant XL 30,35, Visiokant 15,20, Megant 10,12,15,20,25,30,35
Variable Außenecke, 2 teilig
Standard - BL = 40* cm - 88 cm
Sicht außen, Sicht innen
max. BL = 288 cm - Sicht beidseitig
Sonder BL > 88 cm - Sicht außen
für Privant 10, Medikant 12, Gigant 15,20,25, Gigant XL 30,35, Visiokant 15,20, Megant 10,12,15,20,25,30,35
Variable Außenecke, 1 teilig
Diagonale = D
Standard - BL = 40* cm - 88 cm
Sicht außen, Sicht innen
max. BL = 288 cm - Sicht beidseitig
Sonder BL > 88 cm - Sicht außen
für Privant 10, Medikant 12, Gigant 15,20,25, Gigant XL 30,35, Visiokant 15,20, Megant 10,12,15,20,25,30,35
Variable Außenecke, 2 teilig
Stumpfstoß
Standard - BL = 40* cm - 88 cm
Sicht außen, Sicht innen
max. BL = 288 cm - Sicht beidseitig
Sonder BL > 88 cm - Sicht außen
für Privant 10, Medikant 12, Gigant 15,20,25, Gigant XL 30,35, Visiokant 15,20, Megant 10,12,15,20,25,30,35
Variable Außenecke, 2 seitig
Standard - BL = 76 cm - Sicht außen, Sicht innen,
max. BL = 276 cm - Sicht beidseitig,
Sonder BL > 76 cm - Sicht außen,
Auch für Radienausbildung geeignet
für Privant 10, Medikant 12, Gigant 15,20,25, Gigant XL 30,35, Visiokant 15,20, Megant 10,12,15,20,25,30,35
Innenecken
Standard Innenecke, 2 teilig
Standard - BL = 100 cm - Sicht außen, Sicht innen,
max. BL = 300 cm - Sicht beidseitig,
Sonder BL > 100 cm - Sicht außen
für Privant 10, Medikant 12, Gigant 15,20,25, Gigant XL 30,35, Visiokant 15,20, Megant 10,12,15,20,25,30,35
Variable Innenecke, 2 teilig
Standard - BL = 40* cm - 88 cm Sicht außen, Sicht innen
max. BL = 288 cm - Sicht beidseitig
Sonder BL > 88 cm - Sicht außen
für Privant 10, Medikant 12, Gigant 15,20,25, Gigant XL 30,35, Visiokant 15,20, Megant 10,12,15,20,25,30,35
Variable Innenecke, 1 teilig
Diagonale = D
Standard - BL = 40* cm - 88cm - Sicht außen, Sicht innen
max. BL = 288 cm - Sicht beidseitig
Sonder BL > 88 cm - Sicht außen
für Privant 10, Medikant 12, Gigant 15,20,25, Gigant XL 30,35, Visiokant 15,20, Megant 10,12,15,20,25,30,35
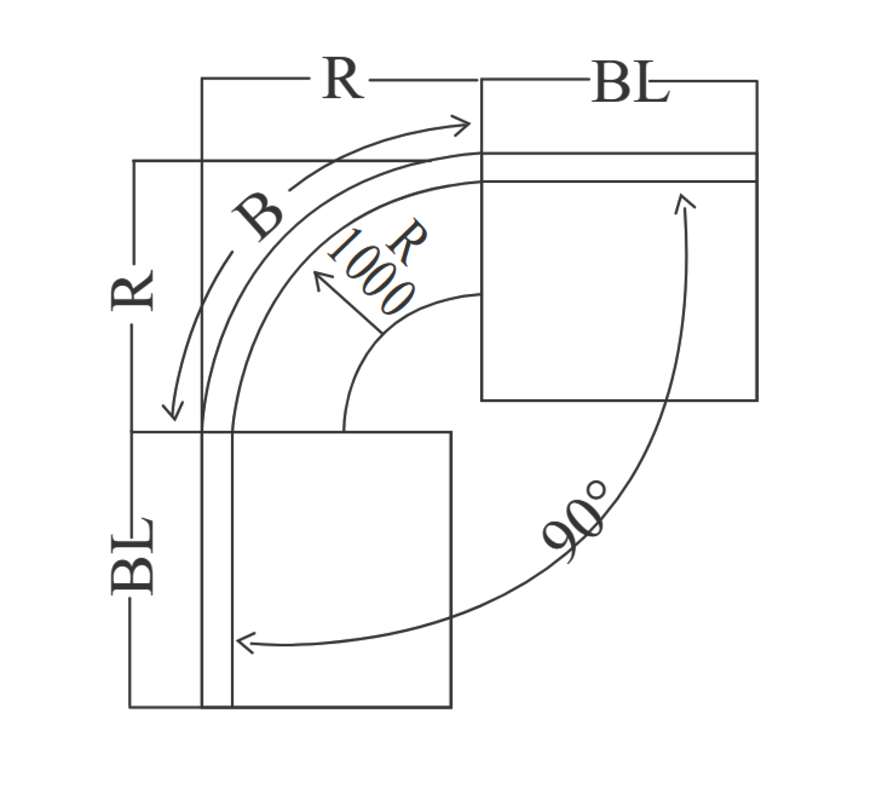
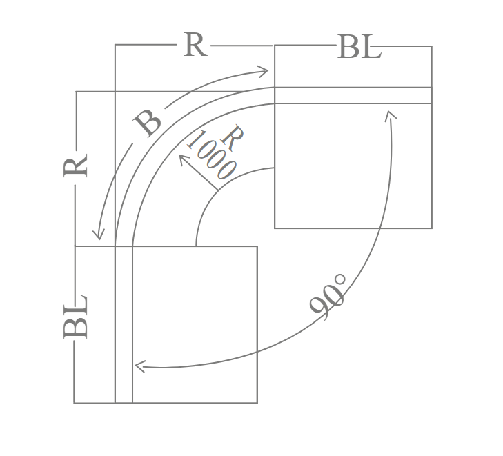
Runde Ecken
Runde Ecke, 1 teilig
Standard BL = 50 cm, 100 cm
Sicht Außen – Sicht Innen – Sicht beidseitig
für Privant 10, Medikant 12
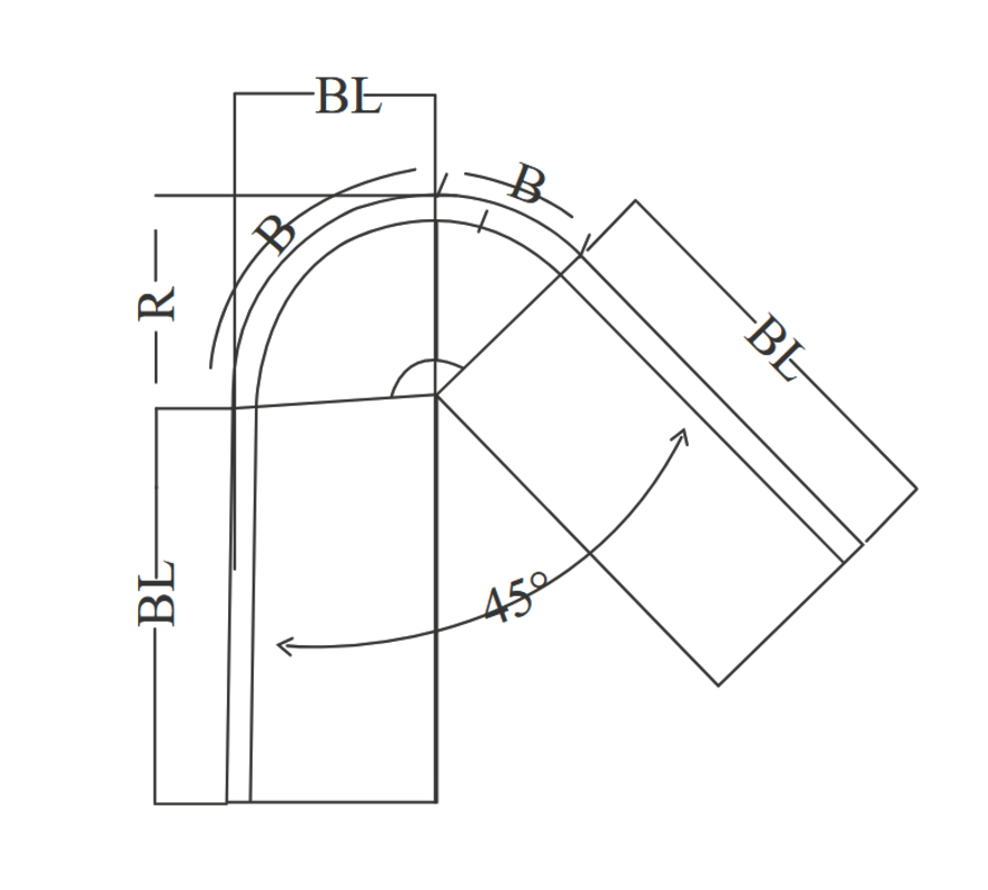
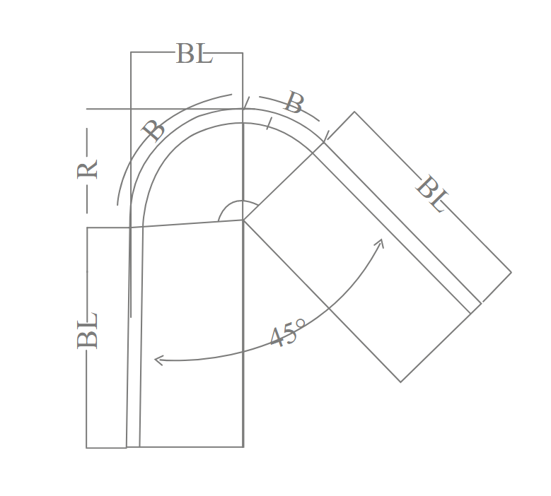
Runde Ecke, Variation
Sicht Außen – Sicht Innen –
Sicht beidseitig
für Privant 10, Medikant 12
T-Kant Innen- und Außenecken
T-KANT Standard Ecke, 2 teilig
Standard - BL = 100 cm - Sicht außen, Sicht innen
Sonder BL < 100 cm auf Anfrage
für T-Kant 15,20,25, Fahrsilowand 20
T-KANT Standard Ecke, 1 teilig
links und rechts
Standard - BL = 100 cm - Sicht außen, Sicht innen
Sonder BL < 100 cm auf Anfrage
für T-Kant 15,20,25, Fahrsilowand 20
T-KANT Variable Ecke, 2 teilig
Standard - BL = 40* cm - 88 cm - Sicht außen, Sicht innen
für T-Kant 15,20,25, Fahrsilowand 20
Haben Sie Interesse an Ecklösungen für Winkelstützen?
Nehmen Sie Kontakt mit uns auf und fordern Sie ein unverbindliches Angebot an:








